반갑습니다. 김대호교수입니다.
이승원 교수님의 답변이 틀린것은 아닙니다. 다만, 11핀 이상의 릴레이를 사용했을 경우 가능합니다.
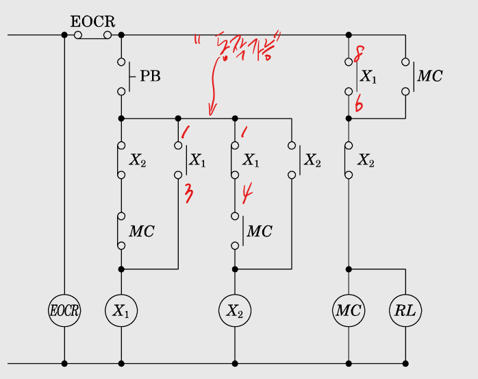
이 문제의 조건에 8핀 릴레이를 사용한다는 조건이 있으므로 8핀을 기준으로 답합니다.
8핀 릴레이를 사용할 경우 문제가 릴레이와 전자접촉기의 직렬접점을 위 아래 변경할 경우 배선의 접촉이 단자에서 생겨 동작이 정상적이지 않게 됩니다.
따라서, 변경하여 답하는 것은 바람직한 답이 아닙니다.
아래 첨부된 두 그림을 참고하시기 바랍니다.
그리고, 8핀 릴레이 내부결선도를 이해하시기 바랍니다.
이유: 필요한 접점 수량 부족
8핀 릴레이는 2개의 전원 핀(2번, 7번)을 제외하고, 2개의 접점 세트(Set)만 제공합니다.
1번 세트: 1번(공통), 4번(b접점), 3번(a접점)
8번 세트: 8번(공통), 5번(b접점), 6번(a접점)
