한솔아카데미 로고 전기기사 산업기사

전체메뉴
전기기사 · 산업기사 전체메뉴 보기
전기(산업)기사 학습게시판 강의수강 중 학습관련 질의응답 한솔아카데미 합격 선배의 생생한 합격수기를 제공합니다.

학습Q&A

HOME > 학습게시판 > 학습Q&A

글보기
제목
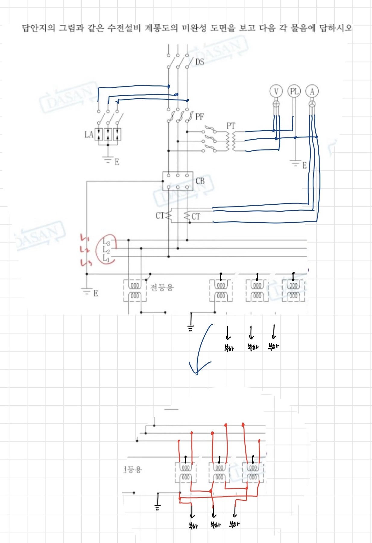
결선도 질문
질문유형 기타문의 > 기타사항
글쓴이 강*진 등록일 2025.11.08 답변상태 답변완료
  •  

    한솔 강의에서 이렇게 풀어주셨던 기억이있어서 그렸는데 델타 결선 부분이 다른 풀이들과 조금 달라서요 ㅠㅠ

    이것도 맞는걸까요??

  • 김대호 |(2025.11.09 18:38)

    반갑습니다. 김대호교수 입니다. 

    변압기 델타-셀타 결선은 인정될 것으로 보입니다. 

첨부파일

목록

위로