교수님, 안녕하십니까?
저번에 상세히 설명해주신 내용은 잘 알겠습니다. 답변 말미에 "측정의 관점 (전류계 지시값) 전기 실무와 시험 문제에서 언급되는 "전류"는 특별한 조건이 없는 한 전류계(Ammeter)에 나타나는 실효값(Effective value), 즉 스칼라 값을 의미합니다“라고 설명하여 주신 부분을 읽는 순간, '아! 내가 가장 기초적인 것을 놓치고 있었구나...'라는 생각과 함께 약간의 충격을 받았습니다. 감사합니다!
질문)
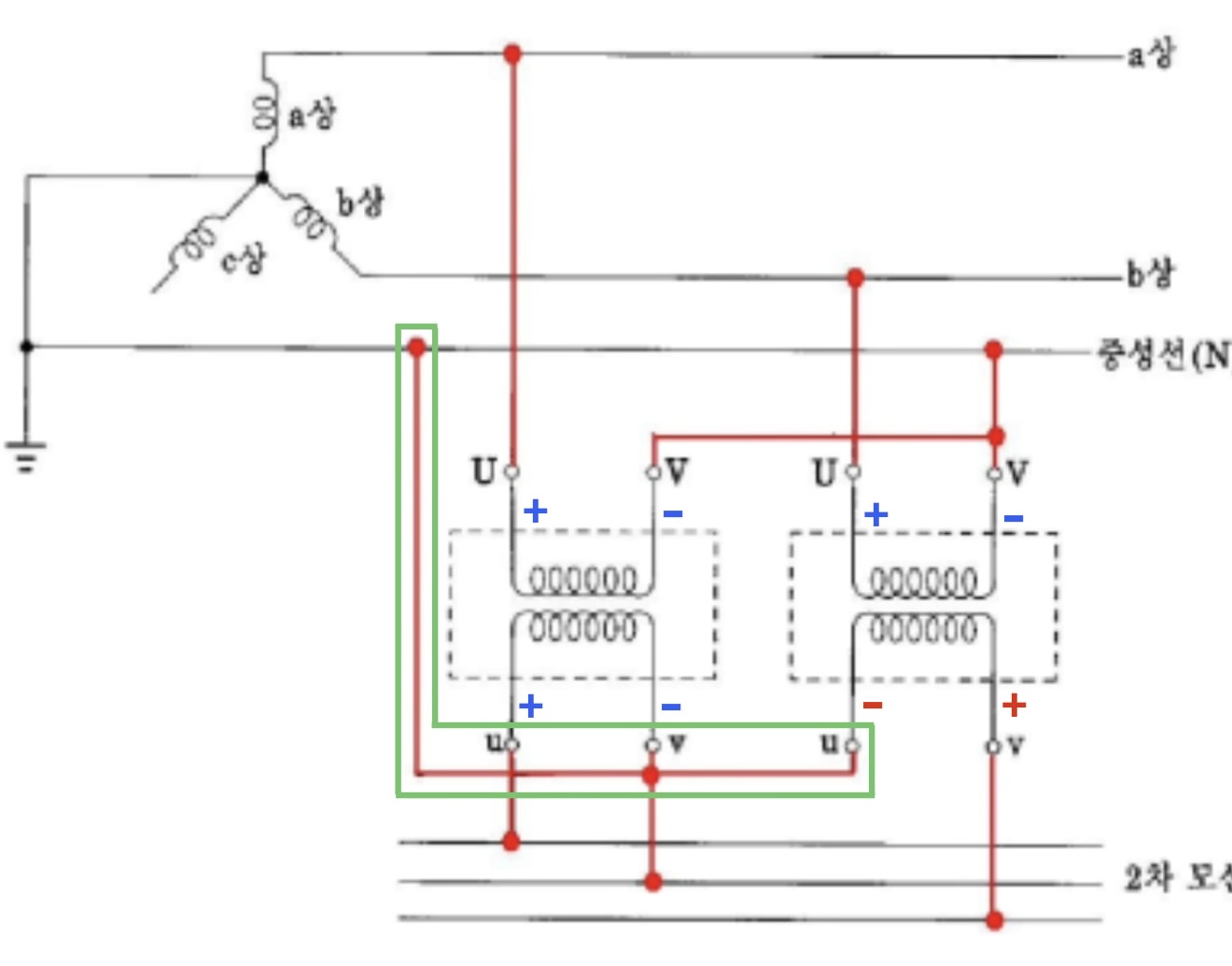
첫 번째 첨부 그림에 우측 중단 부분의 회로(세 개의 상전압이 부하에 공급되는 루프를 청색/적색/녹색으로 각각 표기)와 같이 [전원 - 부하] 전력 전송에 있어서 전원측 변압기가 3상4선식 와이 결선이고 부하측 변압기가 3상4선식 와이 결선일 때, 역V 결선으로 3상 전력 공급이 가능하다고 생각했는데
부하측 3상 와이 결선 변압기의 물리적 권선 구조를 고찰해 보니, 두 번째 첨부파일과 같이 전원측 3상 와이 결선 변압기와 부하측 3상 와이 결선 변압기의 물리적 결선은 V결선의 델타 결선처럼 3상 부하의 모든 권선에 연결되는 것이 아니라 3상 부하의 권선 1개(C상)는 물리적으로 전원측과 연결되지 않는다는 것을 확인했습니다.
따라서 전원측 3상 변압기의 결선 구조와 부하측 3상 변압기의 결선 구조가 다음과 같을 때, 3상 전력 공급은
[와이 결선 - 와이 결선] → 불가
[와이 결선 - 델타 결선] → 가능
하다고 생각합니다. 제 생각이 맞는 것인지 그렇지 않은 것이지 교수님의 답변을 꼭 듣고 싶습니다.


https://www.youtube.com/watch?v=rTq2c1Vig7A&si=wSK7VlVfahhepWAR
[5:16] 'N상에 연결했다'라고 보시지 말고 '접지했다'라고 봐주시면 되겠습니다
변압기의 한 상을 역극성화하는 것은 불평형이 아닌 평형 상태의 3상 전원을 부하에 공급하기 위한 것이라는 점에서, 위에 설명은 기술적으로 매우 부적절하다는 생각이 듭니다.
